一、產品概述
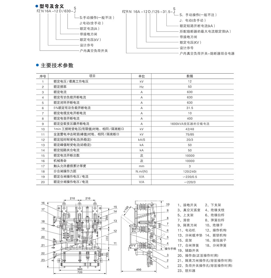
FZN16-12 FZN16-12D FZRN16-12D戶內交流高壓負荷開關-熔斷器組合電器(以下簡稱“系列開關”)是我廠自行設計研制而成的。性能達到GB3804-90《3-63KV交流高壓負荷開關》 和IEC420《交流高壓負荷開關-熔斷器組合電器》(1990版)國際標準及國家標準(報批稿)的要求,具有開斷安全可靠、電壽命長、可頻繁操作,開斷轉移電流時,基本不需要維護,具有明顯隔離斷口等優點。負荷開關-熔斷器組合電器還具有保護變壓器過載,防止設備缺相運行功能。
二、產品用途
FZN16-12 FZN16-12D FZRN16-12D開關適用于額定電壓6-12KV三相交流50Hz的電網中,作為開斷負荷電流、過載電流及短路電流之用,特別適用于無油化,不檢修及頻繁操作要求的場所。本產品可配合CS6-Ⅰ型操作機構及CS□手動操作機構。

本網不做在線交易,標記價格僅做數據填充效果,具體報價,請聯系發布人詳細咨詢。
ZW32-12智能看門狗真空斷路器¥100.00
GW5-40.5型戶外高壓隔離開關¥100.00
GW4-40.5高壓隔離開關¥100.00
GW9-12/630A高壓隔離開關¥100.00
ZW20-12智能高壓真空斷路器¥100.00
ZW32看門狗真空斷路器¥100.00
ZW32-12柱上高壓真空斷路器¥100.00
ZW32-40.5戶外柱上高壓真空斷路器...¥100.00
ZW32-12一二次深度融合柱上高壓真空斷路器...¥100.00
ZW32-12預付費高壓計量裝置¥100.00